影响FPGA时序的进位链(Carry Chain), 你用对了么??
在FPGA中我们写的最多的逻辑是什么?相信对大部分朋友来说应该都是计数器,从最初板卡的测试时我们会闪烁LED,到复杂的AXI总线中产生地址或者last等信号,都会用到计数器,使用计数器那必然会用到进位链。
可能很多刚开始接触FPGA的同学没听过进位链,也就是Carry Chain,我们这里再回顾一下。FPGA的三个主要资源为:
可编程逻辑单元
可配置逻辑单元(Configurable Logic Block, CLB)
存储单元
运算单元(DSP48)
可编程I/O资源
布线资源
其中,CLB在FPGA中最为丰富,在7系列的FPGA中,一个CLB中有两个Slice,Slice中包含4个LUT6、3个数据选择器MUX、两个独立进位链(Carry4,Ultrascale是CARRY8)和8个触发器。
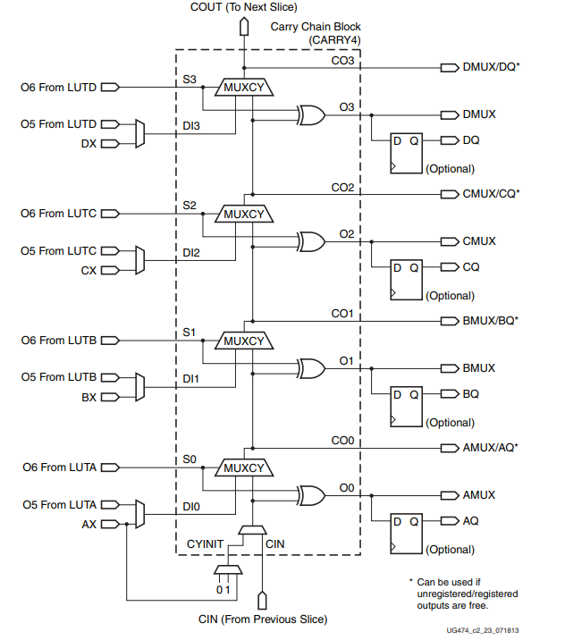
首先,我们来看下Carry Chain的结构原理,其输入输出接口如下:
其中,
CI是上一个CARRY4的进位输出,位宽为1;
CYINT是进位的初始化值,位宽为1;
DI是数据的输入(两个加数的任意一个),位宽为4;
SI是两个加数的异或,位宽为4;
O是加法结果输出,位宽为4;
CO是进位输出,位宽为4;(为什么进位输出是4bit?后面有解释)
Carry4的内部结构如下图所示:
这里我们要先解释一下FPGA中利用Carry Chain实现加法的原理,比如两个加数分别为a = 4'b1000和b=4'b1100,其结果应该是8+12=20。
a = 4'b1000;
b = 4'b1100;
S = a ^ b = 4'b0100;
D = b = 4'b1100; //D取a也可以
CIN = 0; //没有上一级的进位输入
CYINIT = 0; //初始值为0
// 下面为CARRY4的计算过程,具体的算法跟上图中过程一样
S0 = 0; //S的第0位
O0 = S0 ^ 0 = 0 ^ 0 = 0;
CO0 = DI0 = 0; //上图中的MUXCY,S0为0时,选择1,也就是DI0,S0为1是选择2
S1 = 0;
O1 = S1 ^ CO0 = 0 ^ 0 = 0;
CO1 = DI1 = 0;
S2 = 1;
O2 = S2 ^ CO1 = 0 ^ 1 = 1;
CO2 = CO1 = 0;
S3 = 0;
O3 = S3 ^ CO2 = 0 ^ 0 = 0;
CO3 = DI3 = 1;
加法最终的输出结果为:{CO3,O3,O2,O1,O0} = 5'b10100 = 20。进位输出在CARRY4的内部也使用到了,因此有4个bit的进位输出CO,但输出给下一级的只是CO[3]。
再来看完下面的例子就更清晰了。Example的代码如下:
module top(
input clk,
input [7:0] din_a,
input [7:0] din_b,
output reg[7:0] dout
);
always @ ( posedge clk )
begin
dout <= din_a + din_b;
end
endmodule
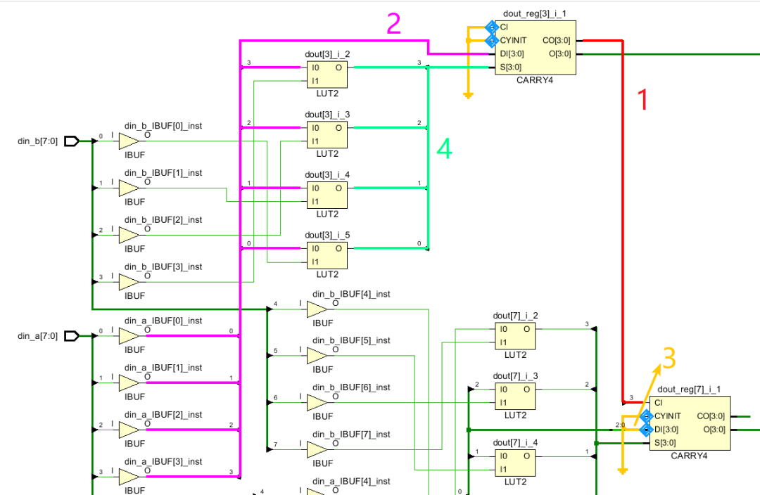
综合之后的电路如下:
在本程序中,加数为din_a和din_b,图中
1表示CARRY4的进位输出到下一级的进入输入;
2表示输入的一个加数din_a(换成din_b也是可以的);
3表示第二级输入的DI端口,因为第二级CARRY是通过第一级的进位输出进行累加,因此该接口为0;
4表示输入两个加数的异或结果。
可以看出,当进行两个8bit的数据进行加法操作时,会使用两个CARRY4级联,那如果是对48位的数据进行相加,那就会用到12个的CARRY4的级联,这样明显就会使逻辑延迟过大,很容易造成时序不收敛。(这里需要注意的是,在Vivado的默认设置下,如果进行的是12bit以下的数据加1'b1的操作,那么Vivado综合的结果并不会使用CARYY4,而是使用LUT来实现加法器)。
那如何解决这种问题呢?我们可以把加法操作进行拆解,比如拆解成3个16bit的计数器,那这样就会只有4个CARRY4的级联,时序情况就好了很多。
对比程序如下:
module top(
input clk,
input [47:0] din1,
input [47:0] din2,
output reg[47:0] dout1,
output [47:0] dout2
);
always @ ( posedge clk )
begin
dout1 <= din1 + 1'b1;
end
genvar i;
generate
for(i = 0;i < 3;i=i+1) begin:LOOP
wire carry_co;
reg [15:0] carry_o=0;
wire ci;
if(i==0) begin
always @ ( posedge clk )
begin
carry_o <= din2[i*16+:16] + 1'b1;
end
end //if
else begin
always @ (posedge clk) begin
if(LOOP[i-1].carry_co == 1)
carry_o <= carry_o + 1'b1;
end
end //else
assign LOOP[i].carry_co = (LOOP[i].carry_o==16'hffff)?1'b1:1'b0;
assign dout2[i*16+:16] = LOOP[i].carry_o;
end //for
endgenerate
endmodule
打开综合后的schematic后可以发现,在dout2的输出中,每4个CARRY4后都会有一级的触发器,这样时序就会好很多,但这样做的代价是LUT会增加。
对于不同的位宽的数据,我们后面会给出一个通用的Verilog代码,朋友们可以关注github的Rex1168账户,过几天我们会把程序放到GitHub上,供大家免费下载。
想加FPGA技术讨论群的朋友可以加我的微信:xhclshs2。
本文分享自微信公众号 - 科学计算Tech(Quant_Times)。
如有侵权,请联系 support@oschina.cn 删除。
本文参与“OSC源创计划”,欢迎正在阅读的你也加入,一起分享。