二输入比较器实现排序算法
欢迎大家通过博客浏览我的历史文章,博客园包含了目前为止所有的文章,浏览效果更佳,并且有评论留言功能,有任何问题都可以给我留言,微信后台留言可能回复得不及时。
博客地址为:https://www.cnblogs.com/icparadigm/
面试题 - 二输入比较器实现排序算法
转载自
love小酒窝https://www.cnblogs.com/lyc-seu/p/13385782.html
1. 问题描述
给定8个数,以及若干二输入的比较器(可以将两个输入排序)。要求在单周期内实现8个数的排序,并使用最少的比较器个数。(乐鑫)
(距离面试已经过了很久,抽空整理一下当时的题目)
2. 问题解析
乍一看,排序算法,这不是个算法题么,将8个数排下序,脑子里最先出来的是什么冒泡,选择,插入排序......赶紧打住,我们现在在讨论电路,不要走错片场了。实际上题目限定了二输入的比较器,所以方向很明确,现在已经有二输入排序模块,我们要用这个二输入的模块搭成8输入的。那么自然也就能想到,先搭个4输入的,看有没有什么规律。现在问题简化为4输入排序,很自然就想到,先分两组,每组之间排一下:(*表示较大的输出)
这样排完以后要解决的问题就是组间的大小问题。首先,两组之间最大的比较一下就能出来四个中最大的,两组最小的比较出来四个中最小的。所以第二级比较又需要两个比较器。第二级结束后我们已经得到了最大和最小,但次大和次小还不能确定,所以需要一个额外的比较器确定次大次小。所以四个数的排序电路如下:
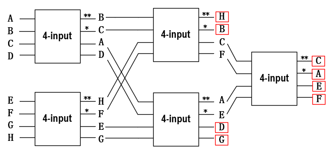
所以4个数进行排序需要的最少的二输入比较器个数是5个。那么现在问题回到8个数,实际上我们相当于已经有了4输入进行排序的模块,用若干个4输入排序模块来完成8输入排序。相对于二输入模块,四输入的模块的输出可以分为两组,一组最大次大,另一组最小次小。实际上还是按照刚才的拓扑结构,将二输入换成四输入即可:

经评论区@SpiritzQAQ君的提示,确实后面三个4输入模块没必要取完整,实际上可以只用4输入模块中的后三个二输入比较器,因为这几级的输入大小关系已经确定,更改后的拓扑图如下:
只需要5*2+3*3 = 19 个比较器。
3. 延伸思考
事实上,上面的硬件实现方式就是归并排序的展开实现,归并排序算法如下:
参考:https://www.cnblogs.com/onepixel/articles/7674659.html
归并排序是建立在归并操作上的一种有效的排序算法。该算法是采用分治法(Divide and Conquer)的一个非常典型的应用。将已有序的子序列合并,得到完全有序的序列;即先使每个子序列有序,再使子序列段间有序。若将两个有序表合并成一个有序表,称为2-路归并。算法描述:
-
把长度为n的输入序列分成两个长度为n/2的子序列; -
对这两个子序列分别采用归并排序; -
将两个排序好的子序列合并成一个最终的排序序列。
再想一下,这一题最本质的问题其实是:
给定n个数的排序,最少需要的比较次数是多少?
如果从信息论的角度来看,n个数的排序总共有 种情况,对应的信息量就是 ,而一次比较获得的信息量 .所以理论的最少比较次数就是: 。可以发现当n=4时,理论比较次数为 , 向上取整就是5,跟我们的电路中用到的比较器个数相同。但是当n=8时,理论的最少比较次数是 ,也就是需要16次比较。那为什么我们这里用到了25个比较器呢?实际上这是因为题目限制了我们只能使用比较器,而要实现理论最小的比较次数还需要其他逻辑的支持,比如MUX。所以上述19个比较器只是归并排序算法的一种硬件实现方式,但并不一定是比较次数最少的硬件实现方式(考虑使用其他逻辑的话)。
PS: 5个数排序的理论最少排序次数(7)的一种比较逻辑:5个数排序最少比较次数[1]
使用这种方法推导8个数的最少比较次数可以得出最少需要18次,但仍然不是理论最少的。据说理论最少的比较次数并不一定能达到。
参考资料
5个数排序最少比较次数: https://blog.csdn.net/x_i_y_u_e/article/details/45059725?utm_medium=distribute.pc_relevant_t0.none-task-blog-BlogCommendFromMachineLearnPai2-1.edu_weight&depth_1-utm_source=distribute.pc_relevant_t0.none-task-blog-BlogCommendFromMachineLearnPai2-1.edu_weight
打个广告
路科验证V2课程大升级啦,升级后的V2pro,不仅保留了原本V2的所有内容,还添加了关于vim、linux、DVT的操作教程,以及寄存器模型自动化,更有定制的个性项目,为你的简历添砖加瓦。如果想要学习SV和UVM,想要入门或者转行验证,路科验证V2pro不容错过!如果对课程有兴趣可以后台联系我,可以获得优惠!详情戳->芯片验证V2 Pro秋季班报名通道已开启!更有早鸟报名优惠等着你!!
后台回复路科验证还可以享受200元优惠!!!欢迎报名~
精彩专辑
欢迎转发、在看、喜欢三连,关注公众号及时接收推送
个人博客地址:https://www.cnblogs.com/icparadigm/
点击在看,分享给你的朋友吧👇
本文分享自微信公众号 - 摸鱼范式(icparadigm)。
如有侵权,请联系 support@oschina.cn 删除。
本文参与“OSC源创计划”,欢迎正在阅读的你也加入,一起分享。
